Alle Aktivitäten
Automatisches Update aktiv
- Letzte Stunde
-
-
-
- Heute
-
Doosan Bobcat Übernahme von Wacker Neuson
ein Thema erstellte O&K RH PLUS in News aus der Baumaschinen Industrie
Hallo Hab heute gelesen das Doosan Bobcat in Verhandlungen sind Wacker Neuson zu übernehmen. Ich dachte das Doosan zu Hyundai gehört. Die bauen eigentlich beide schon Minnibagger. Und Wacker schon für John deere Bagger baut. -
Du kannst es überbrücken dass er wieder fährt. Strom von der Batterie zum Schalter unter der linken Armlehne. Von da aus auf einen der Magnetventile (Müsste das obere von den vorderen beiden sein) unten im Batterieraum und wieder auf Masse. Dann gehen die Grundfunktionen. Da kannst du mir den kleinen Flachsteckerhülsen drauf gehen. Sicherung dazwischen wäre noch gut...
-
Dresden - Der teilweise Einsturz der Carolabrücke in Dresden im September 2024 machte klar, dass die Reste der Brücke schnellstmöglich und kontrolliert abgerissen werden mussten. Die Arbeiten riefen ein wahres Kraftpaket auf den Plan: den 117 t schweren Longfront-Abbruchbagger SENNEBOGEN 870E Demolition. Bauforum24 Artikel (06.11.2025): Sennebogen 360 G Teleskoplader Der SENNEBOGEN 870 E Demolition brachte die Carolabrücke in Dresden kontrolliert zum Einsturz. Hier geht's zum vollständigen Beitrag
-
- rückbau
- sennebogen 870e demolition
- (und 7 weitere)
-
Dresden - Der teilweise Einsturz der Carolabrücke in Dresden im September 2024 machte klar, dass die Reste der Brücke schnellstmöglich und kontrolliert abgerissen werden mussten. Die Arbeiten riefen ein wahres Kraftpaket auf den Plan: den 117 t schweren Longfront-Abbruchbagger SENNEBOGEN 870E Demolition. Bauforum24 Artikel (06.11.2025): Sennebogen 360 G Teleskoplader Der SENNEBOGEN 870 E Demolition brachte die Carolabrücke in Dresden kontrolliert zum Einsturz. Kontrollierter Rückbau mit Longfront-Maschine Das 2015 gegründete Unternehmen EAG-Berthold aus Colditz ist auf Erdbau und Abrissarbeiten spezialisiert und brachte bereits Erfahrung im Brückenrückbau mit. Im Juni 2025 begann der Abbruchspezialist mit dem kontrollierten Rückbau der Carolabrücke. Nachdem der eingestürzte Teil der Brücke beseitigt worden war, musste auch der Rest kontrolliert zum Einsturz gebracht werden. Tragende Spannglieder wurden freigelegt und anschließend durchtrennt. Bei dieser anspruchsvollen Aufgabe setzte EAG-Berthold auf den SENNEBOGEN 870E Demolition. Fallbett aus Schotter in der Elbe Im Vorfeld wurde ein Fallbett aus Schotter in der Elbe errichtet, um die herabfallenden Trümmerteile sicher aufzufangen. Über den Tag hinweg stürzten nacheinander die beiden verbliebenen Brückenzüge kontrolliert auf das Schotterbett. Von dort aus zerlegten insgesamt zehn Bagger die Trümmer, welche anschließend mit LKW und Traktoren abtransportiert wurden. Mit Abbruchhammer und Abbruchschere wurden die Fahrbahndecke sowie die Fahrbahnplatten der verbliebenen Brückenzüge abgetragen. 870 Demolition: Perfekt für den Abbruch in großer Höhe Für das Projekt kam eine Longfront-Abbruchmaschine zum Einsatz, die mit einem Einsatzgewicht von 117 Tonnen und einer Reichweite von bis zu 36 Metern den hohen Anforderungen mehr als gerecht wurde: mit dem SENNEBOGEN 870 E Demolition lässt es sich auch in großer Höhe, beispielsweise bei neu- bis zehnstöckige Gebäude, effizient und sicher abbrechen. Mietmaschine über den SENNEBOGEN Vertriebspartner Bezogen hat EAG-Berthold die Mietmaschine über Schlüter für Baumaschinen (Schlüter-Rent). „Durch die hochfahrbare und neigungsfähige Fahrerkabine hat der Maschinist perfekte Sicht auf den gesamten Arbeitsbereich – außerdem verfügt der 870 über einen teleskopierbaren Unterwagen, was sowohl eine geringe Transportbreite als auch eine hohe Standsicherheit mit sich bringt“, so Uwe König, Serviceberater bei Schlüter für Baumaschinen. Der 117 Tonnen Abbruchbagger von SENNEBOGEN hat eine Reichweite von bis zu 36 m. Maximale Power im Abbruch, einfacher Transport Durch den teleskopierbaren Raupenunterwagen kann der Abbruchbagger selbst in eng bebauten Gebieten zum Einsatz kommen. Das robuste Design, der leistungsstarke 298 kW Dieselmotor und das breite Abstützquadrat ermöglichen besonders präzises und erschütterungsfreies Arbeiten, auch bei besonders anspruchsvollen Abbrucheinsätzen. Die starke Hydraulik mit dem 3. Hubzylinder ermöglicht es, Anbaugeräte bis zu 4 Tonnen zu betreiben. Mit der Abbruchschere bzw. dem Greifer erfasst der SENNEBOGEN 870 E Demolition die Gebäudeteile punktgenau und bringt sie sicher zu Boden. Die hochfahrbare und neigbare Kabine bietet einen hervorragenden Überblick auf das Abrissobjekt und auf die Umgebung. Die Bedienung ist dabei wie bei allen anderen Maschinen von SENNEBOGEN sehr intuitiv und übersichtlich, was das Arbeiten noch einfacher, schneller und sicherer macht. Nach dem Zerlegen wurden im Anschluss die Trümmer mit LKW und Traktoren abtransportiert. Um den Transport so einfach und kostengünstig wie möglich zu halten, verfügt der 870 E Demolition über ein gewichtreduzierendes Ballastablagesystem und die Möglichkeit, die Maschine in drei Einheiten - Grundmaschine, Abbruchausrüstung und Gegengewicht – zu transportieren. Ein enormer Vorteil im schnelllebigen Alltag der Abbruchunternehmer. Weitere Informationen: SENNEBOGEN Maschinenfabrik | © Fotos: SENNEBOGEN | Schlüter für Baumaschinen | Dan Windhorst
-
- 2
-
-
- rückbau
- sennebogen 870e demolition
- (und 7 weitere)
-
die Haltebänder bzw Halterung vibrierts bei mir immer ab..... Nachdem das Display gemacht wurde hatte ich niemehr probleme damit.....überbrückt habe ich das noch nicht weil ich beim O&K mal ne Platine zerschossen hab und der Spass 7000 k kostete also da bitte Vorsicht
-
CAT Radlader 992 & Muldenkipper 777
ein Thema erstellte Bauforum24 in News aus der Baumaschinen Industrie
Harburg - Die bauma ist für Baumaschinen eigentlich nur eine Zwischenstation. Ihr eigentliches Ziel sind Baustellen oder Steinbrüche. Das galt auch für den 106 Tonnen schweren Besuchermagneten auf der Messe: den Cat Radlader 992. Erst als der Koloss in Harburg bei der Firma Märker im schwäbischen Donauries eintraf und dort in der Werkstatt die Endmontage zur Inbetriebnahme erfolgte, hatte er seine letzte Etappe erreicht. Vor Ort kann man sich vom Einsatz des Schwergewichts im Zusammenspiel mit der gesamten Maschinenflotte in der Rohstoffgewinnung überzeugen. Bauforum24 Artikel (25.11.2025): CAT Kettenbagger 324DLN Knapp hundert Tonnen des Materials schlägt der neue Cat Radlader 992 in wenigen Ladespielen auf Cat Muldenkipper 777 um. Hier geht's zum vollständigen Beitrag-
- zeppelin
- zeppelin baumaschinen
- (und 14 weitere)
-
CAT Radlader 992 & Muldenkipper 777
eine Bauforum24 News erstellte Bauforum24 in Caterpillar, Zeppelin
Harburg - Die bauma ist für Baumaschinen eigentlich nur eine Zwischenstation. Ihr eigentliches Ziel sind Baustellen oder Steinbrüche. Das galt auch für den 106 Tonnen schweren Besuchermagneten auf der Messe: den Cat Radlader 992. Erst als der Koloss in Harburg bei der Firma Märker im schwäbischen Donauries eintraf und dort in der Werkstatt die Endmontage zur Inbetriebnahme erfolgte, hatte er seine letzte Etappe erreicht. Vor Ort kann man sich vom Einsatz des Schwergewichts im Zusammenspiel mit der gesamten Maschinenflotte in der Rohstoffgewinnung überzeugen. Bauforum24 Artikel (25.11.2025): CAT Kettenbagger 324DLN Knapp hundert Tonnen des Materials schlägt der neue Cat Radlader 992 in wenigen Ladespielen auf Cat Muldenkipper 777 um. Märker gewinnt im Schnitt täglich Tausende Tonnen Kalkgestein – über das gesamte Jahr verteilt macht die Fördermenge weit über 1,6 Millionen Tonnen aus. Typisch für das Abbaugebiet: Das Gestein ist zerklüftet und weist viele Spalten auf. Darauf muss bei der Großbohrlochsprengung, beim Abbau und beim Maschineneinsatz Rücksicht genommen werden. Denn vor 15 Millionen Jahren schlug in der Region ein Meteorit ein und formte das Nördlinger Ries samt seiner Gesteinszusammensetzung. Dies hat bis heute weitreichende Folgen für die Qualität und die Eigenschaften des Zements, des Betons und des Kalks von Märker. Der Meteoriteneinschlag führte zu einer Durchmischung der Auswurfmassen, was bei der Gewinnung des Rohmaterials beachtet werden muss. Zu diesem Zweck hat Märker eine Cat Raupe D11 im Einsatz, um mithilfe des Reißzahns Kalkgestein mit einer Druck- und Zugbewegung zu lösen und für eine bessere Homogenisierung zu sorgen. Eine Durchmischung des Materials beeinflusst auch den Radlader-Einsatz. Auch bei den Skw erfolgte ein Gerätewechsel. Der neue Cat 992 steuert darum verschiedene Ladestellen an und nimmt den Rohstoff mit seiner 13,8 Kubikmeter großen Schaufel auf. „Er wechselt immer wieder seine Ladeposition – die Vorgabe macht der Leitstandfahrer aufgrund der Materialzusammensetzung, die permanent vom Brecher aus analysiert wird“, erklärt Karl-Heinz Kurtz, Steinbruchmeister bei Märker und seit 40 Jahren im Betrieb. Knapp hundert Tonnen des Materials schlägt der Radlader dann in wenigen Ladespielen auf Cat Muldenkipper 777 um. Auch bei den Skw erfolgte ein Gerätewechsel, denn hier hielt ebenso neue Technik in Form eines knapp 90 Tonnen schweren Starrrahmenkippers Einzug. In Summe übernehmen drei Geräte der 777-Baureihe den Materialtransport zur Aufgabenstelle. Eine Distanz von bis zu einem Kilometer und eine Steigung von bis zu 15 Grad müssen sie dabei mitunter zurücklegen. Damit sie mit konstanter Geschwindigkeit unterwegs sein können, werden die Fahrwege immer wieder in Schuss gehalten, um so für einen kontinuierlichen Durchsatz zu sorgen. Das Team von Märker und Zeppelin hat kaum Platz in der 13,8 Kubikmeter großen Radlader-Schaufel. Beladen werden sie nicht allein von dem neuen Cat 992, sondern von dem Modell gibt es noch einen weiteren Vertreter. Er übernahm seinen Dienst nach der bauma 2022. Hinzu kommt auch ein Hochlöffelbagger, der in dem angrenzenden Abbaugebiet Bräunlesberg eingesetzt wird. Dieses kam Mitte der 90er-Jahre hinzu, um langfristig die Versorgung mit Rohstoffen für die Kalk- und Zementproduktion sicherzustellen. Das Rohmaterial wird im Ein-Schicht-Betrieb gewonnen. Innerhalb von einer Arbeitswoche muss das Team der Maschinisten einen Vorrat an Rohmaterial von bis zu vier Tagen für die Produktion bereitstellen. Auch an den Wochenenden müssen der Zementofen und die Kalköfen mit Material versorgt werden. Damit der Maschineneinsatz ohne Unterbrechung läuft, wird das Zeitfenster der Kundendienste und Inspektionen entsprechend angepasst. Durchgeführt werden diese von der eigenen Werkstatt, die dann Sensoren tauscht, Hydraulikschläuche erneuert, Filter oder Öle wechselt. „Bei den großen Kundendiensten nach tausend Betriebsstunden unterstützen unsere Monteure der Niederlassung Ulm die Werkstatt, weil die durchzuführenden Arbeiten aufwendiger sind“, erklärt Joachim Steck, Zeppelin Serviceberater. Er steht ebenfalls mit Rat und Tat zur Seite und leitet im Vorfeld nötige Maßnahmen in die Wege, um für anstehende Instandsetzungen vorbereitet zu sein. Als beispielsweise das Kettenlaufwerk für die D11 gewechselt wurde, stand die Raupe auch schon mal drei Wochen. Das wurde entsprechend während der Revisionszeit des Ofens im Winter geplant. Immer wieder muss der neue Cat 992 die Ladestelle wechseln, um das Material zu homogenisieren. Um Verschleiß zu reduzieren und den Kraftstoffverbrauch zu senken, soll nicht nur die Technik unterstützend wirken, sondern auch die Fahrer sollen ihren Input leisten. Dafür müssen sie ihr Wissen immer wieder in Form von Schulungen auffrischen. Darum investiert das Unternehmen kontinuierlich in die Weiterbildung seines Personals. Das gilt insbesondere bei Neuanschaffungen von Gerätetechnik wie dem Cat 992 und 777, um die Geräte produktiv und sicher einzusetzen, aber auch um die neuen Features anzuwenden. Neuerungen bei Neumaschinen bedeuten jedoch erst einmal eine Umstellung für den Fahrer. Die Baumaschinentechnik hat sich in den letzten Jahren durch den Einsatz neuer Technologien rasant weiterentwickelt. Im Fall des Radladers führt das zu Verbesserungen am Antriebsstrang, am Getriebe, an den Achsen und am Endantrieb, was die Lebensdauer wesentlicher Komponenten erhöht. Zugleich wurde auch an der Produktivität geschraubt. Das Ladegerät kann dank erhöhter Ausbrechkräfte mehr Durchsatz und mehr Effizienz liefern. Immer wieder muss der neue Cat 992 die Ladestelle wechseln, um das Material zu homogenisieren. Dennoch wird die Ausstattung bestmöglich auf die Einsatzanforderungen abgestimmt. So wurde seitens Zeppelin empfohlen, die Schaufel des Cat 992 zu optimieren und zu einem verstärkten Seitenschutz sowie zum Zahnsystem Advansys geraten. Was für dieses spricht: Zahnhalter und Zahnspitzen fassen konisch ineinander ein. Damit drückt die Zahnspitze so auf den Zahnhalter, dass keine Kräfte auf die Sicherungselemente wirken. Eine weitere Konsequenz der Konstruktion: Es gibt weniger Widerstand beim Eindringen ins Material, was weniger Kraftaufwand erfordert. „Grundsätzlich ist das Material wenig abrasiv. Zähne haben eine lange Haltbarkeit“, so Joachim Steck. Die Materialeigenschaften führten auch zu einer weiteren Anpassung bei der Muldenauskleidung. „Bislang wurde der Muldenkörper gepanzert. Doch die verschleißbedingten Abnutzungserscheinungen wirkten sich nicht so stark aus. Erstmals haben wir empfohlen, aufgrund der bestehenden Verschleißerfahrungen auf die Auskleidung zu verzichten. Das macht sich nun beim Gewicht bemerkbar, schlägt so mit sechs Tonnen weniger zu Buche und hat folglich enorme Auswirkungen auf die zu bewegenden Tonnen pro Ladezyklus bei gleichem Zielgewicht, die nun auf den gesamten Tag verteilt zur Verfügung stehen“, meint Joachim Steck. Ein Weil auf die Muldenauskleidung verzichtet wurde, schlägt das mit sechs Tonnen weniger zu Buche, was sich auf die zu bewegenden Tonnen pro Ladezyklus bei gleichem Zielgewicht bemerkbar macht. Effekt, der auch den Spritverbrauch pro bewegte Tonne beeinflusst. „Es ist eine Stellschraube, die wir geändert haben, die es aber in sich hat“, meint Robin Minkenberg, Zeppelin Verkaufsrepräsentant der Niederlassung Ulm, der das Unternehmen berät und dabei im engen Austausch mit seinen Kollegen steht. Ausstattungsoptionen und Konfigurationen des Cat 992 und 777 werden vor jeder Investition geprüft und abgewogen. „Es gab ein Vorgespräch, in dem wir die grobe Richtung festgelegt haben. Dann wurde an den Details gefeilt. Im Vorfeld muss viel abgestimmt werden – nicht nur mit dem Kunden, sondern auch mit unserem Produktmanagement und mit Caterpillar. Schließlich sollte der Radlader auch auf der bauma, der größten Messe der Branche, zu sehen sein. Und so galt es, die Bestellung fristgerecht zu terminieren“, so Robin Minkenberg. Damit konnte nach Messeschluss der bauma der Maschinentransport in Richtung Harburg in die Wege geleitet werden. Weitere Informationen: Zeppelin Baumaschinen | © Fotos: Zeppelin-
- 1
-
-
- zeppelin
- zeppelin baumaschinen
- (und 14 weitere)
-
Hallo Suche Deutz DK 60 Planierraupe. Lief hauptsächlich bei der Bundeswehr. Bin für jeden Tipp dankbar. Raupen sind in jedem Zustand interessant.
- Gestern
-
-
-
-
-
Zahnriemen ist erst gemacht. Was genau ist das Problem am Auspuff? Kannst du etwas dazu sagen, wie ich den Bagger bewegt bekomme, wenn der Fehler nochmal auftritt und die Hydraulikfunktionen wieder komplett ausfallen? Gesendet von iPhone mit Tapatalk
-
ORMIG Krane
Thema antwortete Puddu 56's Puddu 56 in Schwerlast - Mobilkrane, Raupenkrane, Schwertransporte
-
Ja das ist das typische Schadensbild, war bei meinem Ebenso und das bei knapp 2000 Stunden..... Bei meinem war oben die angeklebte Plastikblende undicht und da hatte ich fliessend Wasser im Cockpit. Meisst haben die nur nen Wackler darum ging die bei der Reparatur noch.....die Stecker bitte kontrollieren das da nix korrodiert ist. Den Bagger kannst fahren das is solide Technik,mein Radbagger gleicher Bauart hatte knapp 18000 auf der Uhr und ging ohne große Mängel. Vergiss den Zahnriemen vom Deutz nicht !!! Auspuff war auch immer n Thema...... gruß Mertl
-
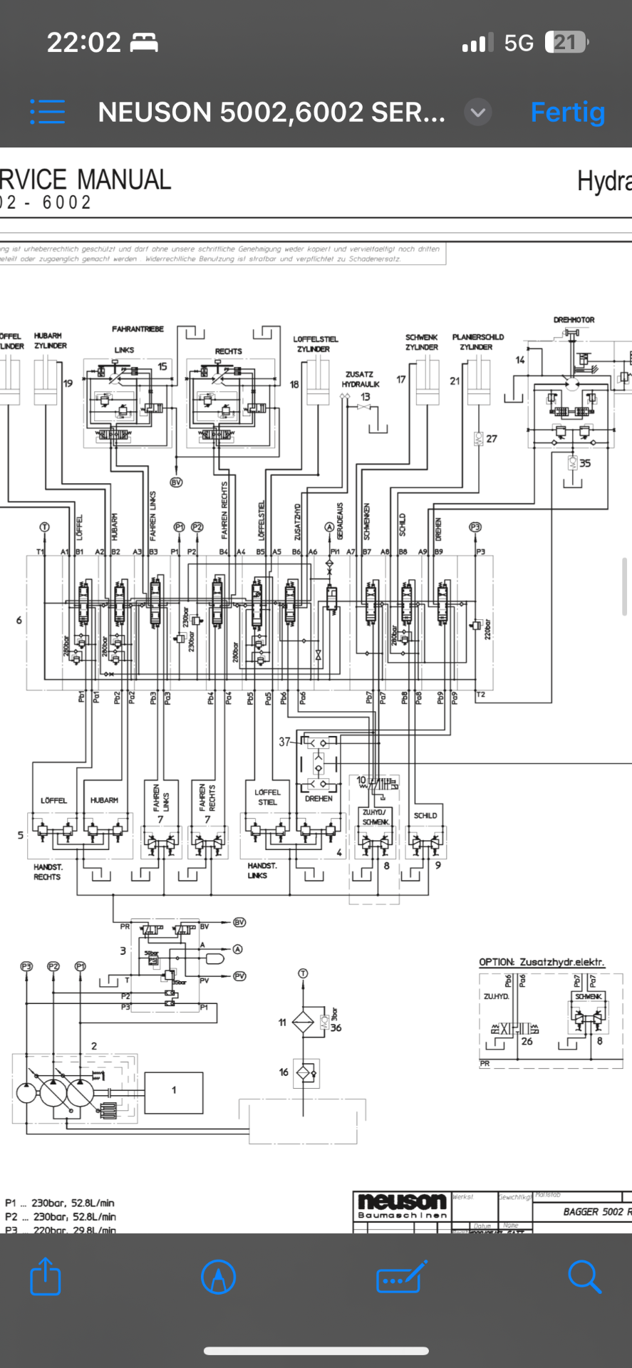
Bagger ließ sich starten, Vorglühlampe ging nicht, Kontrollleuchten gingen nicht. Nach dem Start ging die Hydraulik kurz, knappe 2–3 Minuten. Dann ging nichts mehr: keine Verfahrung der Hydraulik, kein Vor, kein Zurück nur der Motor lief noch sauber vor sich hin. Ich hab die Kontakte von dem Armelehnenschalter geprüft, der arbeitet sauber. Massechalter geprüft, schaltet auch sauber. Ich hab die Platine zur Reparatur zu Ilgenfritz geschickt. Die haben Teile getauscht und die Platine gesäubert. Komisch nur: Ilgenfritz hat das Teil bei sich angeklemmt, und alle Funktionen gingen im nicht reparierten Zustand. Jetzt hat Ilgenfritz die typischen Teile getauscht, die defekt gehen. 1000 € Reparatur. Jetzt geht wieder alles. Mich verunsichert jetzt nur, warum bei ihm alles ging. (Nicht reparierter Zustand) Nicht, dass es noch einen zweiten oder mehr Fehler gibt. Ilgenfritz hat ganz klar einen Wasserschaden und jede Menge Korrosion gefunden. Ich hoffe, dass es das war… Könnt ja mal berichten, ob ihr ähnliche Erfahrungen gemacht habt. Mich würde trotzdem mal interessieren, ob ich die Vorsteuerventile mit 12 V ansteuern kann und den Bagger dabei trotzdem noch in die Werkstatt fahren kann oder wenigstens von der Baustelle weg. Wäre nämlich in manchen Situationen recht doof, wenn so ein Bagger im Weg steht… Bagger hat knappe 5000h also eigentlich keine Laufleistung. Gesendet von iPhone mit Tapatalk
-
Welchen fehler hast du überhaupt anliegen? nicht das wir da ganz wo anders sind
-
Das kommt etz wieder drauf an welche Baureihe......welches Display.... mach mal Zündung an und geh mit Eisspray drüber dann siehst wo der fehler liegt....konnte meinen sogar starten damals... is aber keine Dauerlösung....die Platine is das einzige was nicht gut ist an dem Bagger mfg
-
Hamburg - Die HKL BAUMASCHINEN GmbH und der Hamburger SV setzen ihre erfolgreiche Zusammenarbeit fort. Die Partnerschaft betont gemeinsame Werte wie Verlässlichkeit und Beständigkeit – zentrale Leitlinien, die den HSV und HKL seit Jahrzehnten prägen. Bestandteil der Partnerschaft sind unter anderem Werberechte im Bereich Bandenwerbung und Banner. Bauforum24 Artikel (11.11.2025): HKL Center Herrenberg Auch nach dem Wiederaufstieg in die erste Bundesliga bleibt die Partnerschaft zwischen HKL und dem HSV bestehen. Dies besiegelten Ulf Böge, HKL Ressortleiter Unternehmenskommunikation (links im Bild) und HSV-Vorstand Stefan Kuntz. Hier geht's zum vollständigen Beitrag
-
- hkl
- hkl baumaschinen
- (und 7 weitere)
- Anzeige
- Anzeige
- Anzeige
- Anzeige
Bauforum24
