Zu Inhalt springen
Europas größte Bau & Baumaschinen Community - Mitglieder: 38.292

Recommended Posts

Geschrieben

Also ich würde das Fahrwerk nicht festschweißen, ich würde messen wie viel Spiel das hat und dann S355 Flachmaterial oder Blech besorgen und das an den Rechteckrohren festschweißen. 

Natürlich noch so viel spiel lassen, dass es noch gut funktioniert und nicht verkanntet! 

 

Man muss immer mal das Fahrwerk einfahren, wenn man mal durch ein enges Gartentörchen oder um eine enge Ecke fahren muss! 

 

Mit freundlichen Grüßen 

 

Freddy 

 

Registriere dich um diese Anzeige nicht mehr zu sehen.

Geschrieben
On 18.10.2019 at 19:54, Flyinglosi schrieb:

Ich habe noch folgende Zeichnung im "Parts-Manual" entdeckt. Das (von mir) rot markierte Ende des inneren Führungsrohrs weißt zumindest keinerlei spezielle Form am Ende auf. Wenn also das Gegenstück (1-1) ebenfalls als Formrohr ausgeführt ist (welches wie bereits erwähnt ein gutes Stück höher ist), würde sich das Durchhängen in Folge der geringen Überlappung bei ausgefahrenem Fahrwerk erklären. Aber irgendwie erscheint mir das ein wenig seltsam gelöst.

 

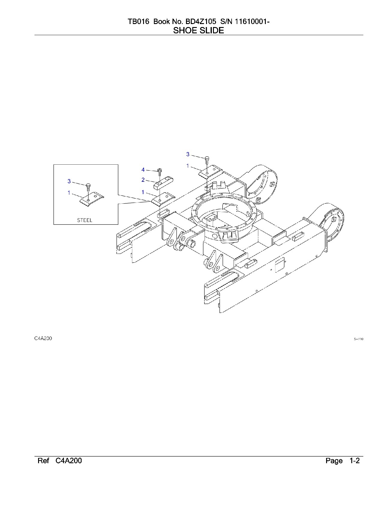
Blätter mal eine Seite weiter im Ersatzteilhandbuch, da findest du eine Abbildung mit "shoe-Sliders"    da scheint einer zufehlen.

 

 

Drucken von D-Downloads-PARTS MANUAL TB016 BD4Z105-1 TNV.jpg

Geschrieben (bearbeitet)

@SirDigger: Willst du mich grad auf einen zusätzliche Mangel hinweisen, oder verstehe ich dich falsch? Diese "shoe-slides" haben meiner ersten Auffassung nach ja nichts mit der Spurbreitenverstellung zu tun, sondern dienen als Kettenführung.

Allerdings sitz ich grad im Büro und hab das vollständige Dokument nicht zur Hand. Sorry also, wenn ich grad auf dem Schlauch stehe.

Danke im Vorhinein für deine Erklärung

mfg

Stephan

bearbeitet von Flyinglosi
Geschrieben

So, nachdem das Wetter gerade noch recht mild ist und ein guter Freund von mir nächstes Wochenende Zeit hat, werde ich die Reperatur (sprich einschweißen von Platten an der linken Führung) gleich erledigen.

Aktuell plane ich was dabei alles zu erledigen bzw. beachten ist. Dazu gleichmal ne vielleicht naiv anmutende Frage:

Reicht es zum ordentlichen Aufbocken den Bagger mittels Schild und Schaufel zu heben und anschließend passende Vierkanthölzer unter die äußeren Vierkantrohre der Spurbreitenverstellung zu legen, oder ist da für ein sicheres Arbeiten sonst noch etwas zu beachten? Passiert natürlich alles auf ordentlichen, ebenen Asphaltboden.

mfg

Stephan

 

 

Geschrieben

Falls Interesse an einem Update besteht: die letzten 2 Tage habe ich mit nem Kumpel das linke Fahrwerk abgenommen und begonnen zu restaurieren. Anders als erwartet, war das bitter nötig. Die Vierkantrohre waren beide stark eingedellt und rissig. Wir haben also erstmal Rost entfernt, dann die Risse verschweißt und anschließend Material aufgeschweißt um die Dellen zu füllen. Nächste Woche muss ich dann wieder alles eben schleifen und lackieren.

Beim Zerlegen kam dann noch raus, dass die Abdeckung des Verstellzylinders wohl Opfer einer Schnellreperatur auf der Baustelle mit Hammer und Zange wurde. Mal sehen ob ichs mit eingeschweißten Blechen repariert bekomme, oder die 60€ für ein Ersatzteil investieren muss.

Diskutiere mit!

Du kannst jetzt antworten und Dich später anmelden. Wenn du bereits einen Account hast kannst du dich hier anmelden.
Note: Your post will require moderator approval before it will be visible.

Gast
Antworte auf dieses Thema...

×   Du hast formatierten Inhalt eingefügt..   Formatierung wiederherstellen

  Only 75 emoji are allowed.

×   Dein Link wurde automatisch umgewandelt und eingebettet.   Statt dessen nur den Link anzeigen

×   Your previous content has been restored.   Clear editor

×   You cannot paste images directly. Upload or insert images from URL.

  • Gerade aktiv   0 Mitglieder

    • No registered users viewing this page.
×
  • Neu erstellen...