Zu Inhalt springen
Europas größte Bau & Baumaschinen Community - Mitglieder: 38.302

Recommended Posts

Geschrieben

Hallo zusammen,

hoffe mir kann einer weiter helfen habe folgendes Problem mit einem O&K Bagger MH5.6 Baujahr 2004

der Bagger springt ganz normal an und dann piepst er Motor läuft aber sonst macht er absolut nix mehr,

fährt nicht Schaufel lässt sich nicht bewegen einfach nix.

zeigt den Fehler 07004 an.

bin über jede Hilfe dankbar habe schon 2 Mechaniker da gehabt keiner konnte mir helfen.

 

danke im Voraus 

Registriere dich um diese Anzeige nicht mehr zu sehen.

Geschrieben (bearbeitet)

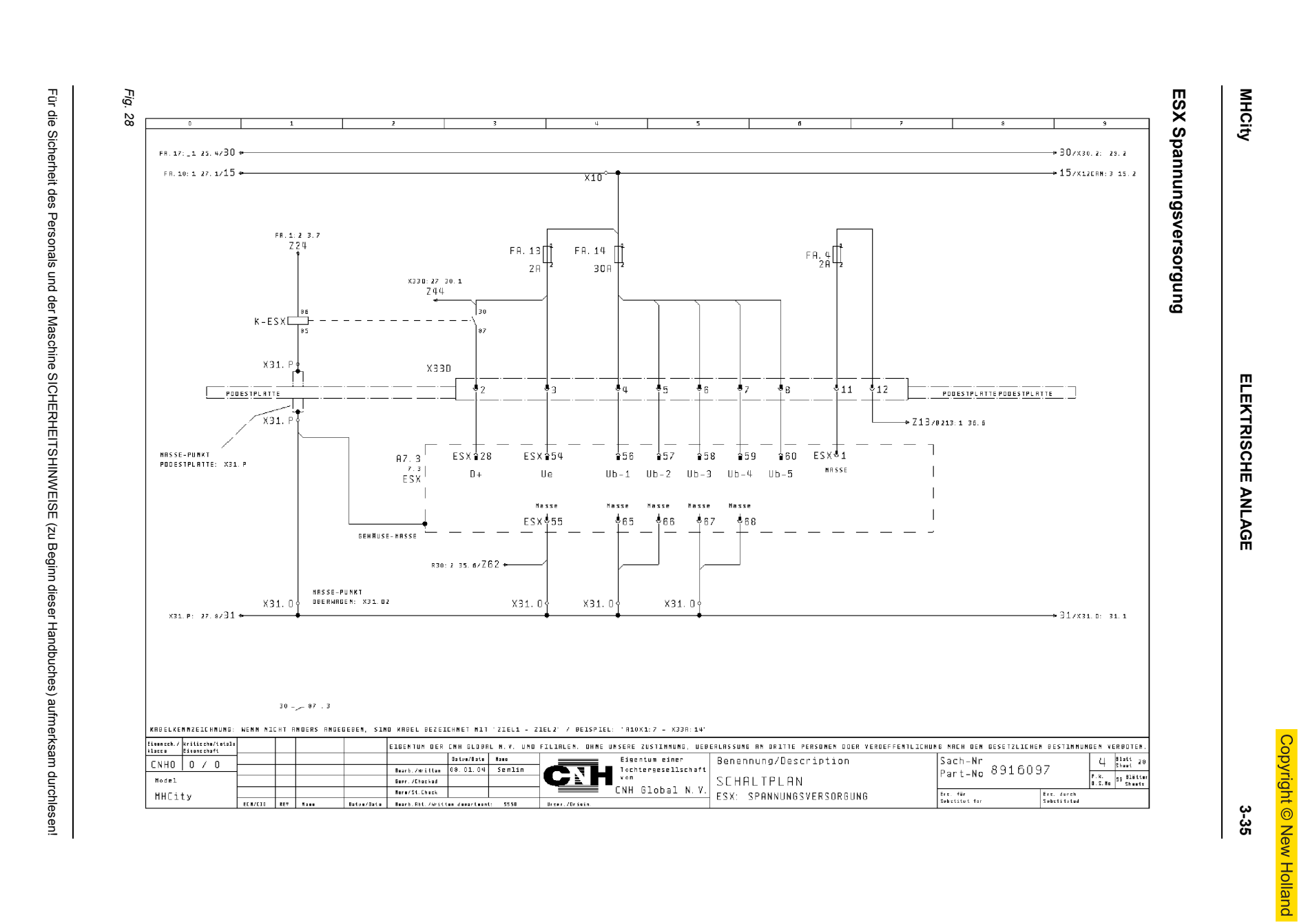
Dieser Fehler bedeutet Ausfall CAN-Bus der ESX-Box.

Die ESX-Box ist unter dem Fahrerhaus ein silberner Controller,der die Steuersignale verarbeitet.

Ich würde in diesem Fall mal alle Sicherungen prüfen,Wenn Sicherungen i.O.,dann an der ESX den Stecker abnehmen und Stromversorgung und Masse prüfen.

Wenn das auch alles i.o. ist,also es kommt Strom an und Masse ist auch vorhanden,wird vermutlich die ESX defekt sein.

Werkstatthandbuch_MH5.6_DE-139.thumb.png.873ea33124ffe77157c5b583a0337677.png

Werkstatthandbuch_MH5.6_DE-140.thumb.png.465c7e062e0dc01787b8e746cf1e0c5c.png

Werkstatthandbuch_MH5.6_DE-265.thumb.png.2a7893faafb351062e126f4545c17561.png

Werkstatthandbuch_MH5.6_DE-260.thumb.png.c308bc38b254f4452a756df7712ed2cf.png

Werkstatthandbuch_MH5.6_DE-169.thumb.png.63dbda92ab988383aa96b176c6f7e175.png

bearbeitet von schnädderle

Diskutiere mit!

Du kannst jetzt antworten und Dich später anmelden. Wenn du bereits einen Account hast kannst du dich hier anmelden.
Note: Your post will require moderator approval before it will be visible.

Gast
Antworte auf dieses Thema...

×   Du hast formatierten Inhalt eingefügt..   Formatierung wiederherstellen

  Only 75 emoji are allowed.

×   Dein Link wurde automatisch umgewandelt und eingebettet.   Statt dessen nur den Link anzeigen

×   Your previous content has been restored.   Clear editor

×   You cannot paste images directly. Upload or insert images from URL.

  • Gerade aktiv   0 Mitglieder

    • No registered users viewing this page.
×
  • Neu erstellen...