Zu Inhalt springen
Europas größte Bau & Baumaschinen Community - Mitglieder: 38.335

Recommended Posts

Geschrieben

Hallo zusammen,

wir haben die Kupplung ausgebaut und zerlegt. Der Ausbau geht ohne Ausbau der Vorderachse. Festgestellt wurde, dass eine Messing-Einstellscheibe gefressen hat und das Rollenlager zerstört war. Außerdem ließ sich eine Lamelle nicht locker in die Kupplung einlegen, sondern hakte und wurde minimal nachgefeilt, dass sie locker ging.

Haben gott sei dank noch passende Teile bekommen - herzlichen Dank an Scheuch GmbH in Kassel !!! - alles wieder zusammengebaut und festgestellt, dass nunmehr STÄNDIG Vortrieb vorhanden ist, also Kraftschluss der Kupplung auch im Neutralstellung und außerdem VOR-trieb in allen Stellungen also auch bei Vorwärts-, Neutral- und Rückwärtsstellung des Hebels für das Druckaufbauventil.

Ist möglicherweise die Kupplung zu stramm und wir müssen eine andere Einstellscheibe (5,2 mm ist drin) einbauen? 4,6 und 4,9 mm Stärke sind noch vorhanden. Hat jemand einen Tip für die richtige Einstellung des Spiels?

Gruß

Registriere dich um diese Anzeige nicht mehr zu sehen.

Geschrieben

Mess mal das Spiel der intakten Kupplung zwischen den Scheiben mit Fühlerlehre.

ggf. etwas weniger Spiel als gemessen geben, da schon gelaufen.

Ein Zehntel (+) pro Lamelle (nicht Zwischenscheibe !!!) ist m.E. ok.

ohne jegliche Gewähr !!! zu wenig frißt wieder, zu viel knallen Gänge nur so rein.

mfg Dt

  • 9 months later...
Geschrieben

Nachdem ich den Scheiss dreimal auseinander und wieder zusammengebaut hatte, habe ich mir eine gebrauchte Kupplung gekauft, eingebaut und fährt. Natürlich noch die O-Ringe am Öleinführring und alle Lager erneuert. Die alte Kupplung hat in der Rückwärtsrichtung nicht geschlossen. Warum kann ich nicht sagen weil ich sie noch nicht zerlegt habe. Außerdem hatte sie verglichen mit der gebrauchen Kupplung so gut wie überhaupt kein Spiel. Ich vermute dass Ding ist kaputtrepariert würden bevor ich ihn kaufte und die Lamellen waren nicht die richtigen weil zu dick. Nun denn. Wenn bei jemanden eine Fahrtrichtung nicht mehr funktioniert mal die Kupplung ausbauen und mit Luftdruck in die Bohrungen der Kupplungswelle halten. Dann muss die Kupplung sicht- und hörbar schließen.

Habe jetzt noch den rechten Bremszylinder abgedichtet, neue Rückleuchten und eine neue Dieselpumpe eingebaut und jetzt sollte der Rest funktionieren.

 

 

  • 4 months later...
Geschrieben

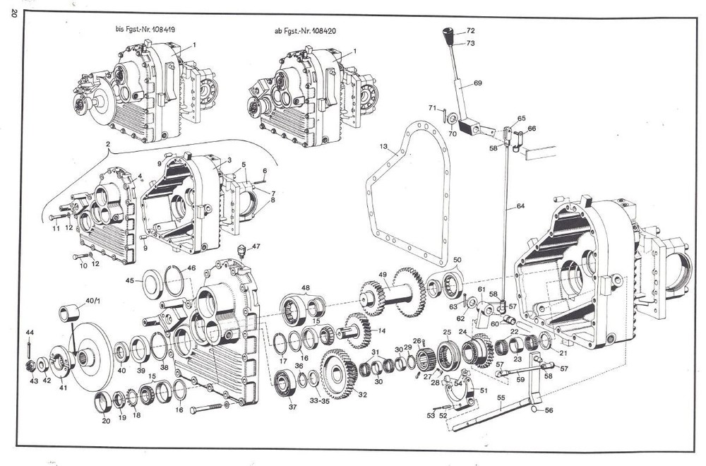
Hallo ! Kann jemand ein diagramm für die Kramer 416 s maschine für die öldruckkupplung schicken, und wo man das öl einfüllt? Danke!

  • 8 months later...
Geschrieben

Hallo zusammen, ich habe bei meinem "Kramer Baggerlader 516 Allrad" genau das selbige Problem 😞 Von einem auf das andere Mal fuhr er nicht mehr vorwärts. :-(

Rückwärts ging es noch, aber sicherheitshalber erstmal wieder in das Trockene gestellt und nicht weiter betrieben.

Gerät hochgebockt und die Räder lassen sich leicht drehen und es gibt kein merkwürdiges Getriebegeräusch bei dem drehen.

Sobald man das Gerät startet, fangen die Räder (in Nullstellung - Hebel - MITTE) anzudrehen, dass war vorher auch schon leicht, aber ist jetzt gefühlt mehr geworden. Sobald ich den Hebel rückwärts betätige, hören diese auf zu drehen und sobald ich Gas gebe, würde er auch rückwärts losfahren. Nur vorwärts passiert nichts mehr. Was jetzt noch auffällig geworden ist, dass er bei vorwärts wie kurzzeitig in das "Stocken" kommt.

Bin leider auch kein Mechaniker und etwas Radlos. Habe zwar schon viel selber hinbekommen (alle elektrischen Anzeigen funktionieren wieder), aber dieses Mal stoße ich an meine Grenzen.

Anbei auch mal ein paar Dokumente von mir.

Ich habe auch meine komplette Ersatzteilliste (in *.pdf) hier hochgeladen: Kramer_Allrad_Baggerlader_516_Ersatzteileliste

Hat jemand noch eine Lösung oder Idee?

kupl1.JPG

kupl2.JPG

kupl3.JPG

kupl4.JPG

Umschaltventil.JPG

Umschaltventil1.JPG

Diskutiere mit!

Du kannst jetzt antworten und Dich später anmelden. Wenn du bereits einen Account hast kannst du dich hier anmelden.
Note: Your post will require moderator approval before it will be visible.

Gast
Antworte auf dieses Thema...

×   Du hast formatierten Inhalt eingefügt..   Formatierung wiederherstellen

  Only 75 emoji are allowed.

×   Dein Link wurde automatisch umgewandelt und eingebettet.   Statt dessen nur den Link anzeigen

×   Your previous content has been restored.   Clear editor

×   You cannot paste images directly. Upload or insert images from URL.

  • Gerade aktiv   0 Mitglieder

    • No registered users viewing this page.
×
  • Neu erstellen...