Zu Inhalt springen
Europas größte Bau & Baumaschinen Community - Mitglieder: 38.245

Recommended Posts

Geschrieben

Moin von der Nordsee,

bin Newbie und noch nicht so erfahren was Baumaschinen angeht. Habe vor langer Zeit viel an alten Autos geschraubt. 

Ich habe mir einen etwa 30 Jahre alten B27 mit Kabine zugelegt. Noch nicht so sehr verschlissen, zweiter Kettensatz ist erst 300 Stunden drauf. 

Die Schaufeln schlabbern nur so rum. Neue Buchsen und Bolzen dachte ich. Es gibt Buchsen für B17 und B37 aber gar nichts für B27. Ich dachte ich bin blöd und habe meinen Schrauber mal schauen lassen. Da sind keine Buchsen drin! Auf zum Schlosser und Dreher mit dem Bolzen als Beispiel. Der hat kurz gemessen und meinte, dass ist kein metrisch Maß mit konisch zulaufend von 37,02 auf 36,6 mm. Sollte entweder 40 oder 35 sein...  Jedenfalls sauteuer Sondermaß für Nacharbeiten oder Neu machen.

Habe also erstmal gemessen:
Aufnahme am Bagger ist vorne 38,75 und hinten knapp unter 40 mm.
Bolzen beide wie oben beschrieben, 37 mm und weniger.
Schaufeln so 38 bis 39 mm.

Da passt ja nichts und kein Wunder, dass alles schlabbert.

Habe mal überlegt was man machen könnte:
1. Alles aufbohren auf 40 mm und neue Bolzen anfertigen lassen mit Schmiernippel oder gibt es die zu kaufen? Keine Buchsen verbauen.
2. Alles aufbohren auf 40 mm und Bolzen abdrehen lassen auf ein Maß für Buchsen. Welche Buchsen? Gleitlager gibt es wohl schon mit 1,5 mm.

Aufbohren kann ich selber mit ausgeliehenen Reibahlen, Gleitlager gibt es einen Fachbetrieb in der Nähe der sehr gut ist. Abdrehen kann ich nicht, muss die Werkstatt machen. 

Bin für Vorschläge und Rat an allen Lösungen offen. 

Danke
falnam

Registriere dich um diese Anzeige nicht mehr zu sehen.

Geschrieben

Ratloses Moin,

ich bekam eine Mail über einen Kommentar von einem Maxi100 zu einem Betrag von CAT_mashine der hier gar nicht auftaucht. War wohl Werbung und auch noch sehr teure und nicht hilfreiche Teile die verlinkt wurden. Fiel mir insgesamt auf, dass viel Werbung mit nicht passendem Teilen gepostet wird. Habe einen mal angeschrieben und der wollte mir partout was Falsches aufschwatzen. 

Ich habe übrigens einen B27-1 und suche noch eine Bedienungsanleitung dafür. Für den B27-2 habe ich genug Angebote bekommen, aber ohne zu Wissen ob da nicht zu viel verändert wurde, zahle ich nicht dafür.

Zu meinen Bolzen und Buchsen: 
Ich lasse die Bolzen auf 35 mm abdrehen und nehme Gleitlager 2mm mit Fett-Taschen. Nennt sich 35/39. Kostet mit Versand 28€. Bisschen Nachfeilen und etwas Spiel akzeptieren. Wenn es nicht lange hält, dann kann ich immer noch auf die teure Lösung gehen und 500€ ausgeben.

Ehrlicher Rat ist immer noch erwünscht!

Geschrieben (bearbeitet)
vor 19 Stunden, falnam schrieb:

Ratloses Moin,

ich bekam eine Mail über einen Kommentar von einem Maxi100 zu einem Betrag von CAT_mashine der hier gar nicht auftaucht. War wohl Werbung und auch noch sehr teure und nicht hilfreiche Teile die verlinkt wurden. Fiel mir insgesamt auf, dass viel Werbung mit nicht passendem Teilen gepostet wird. Habe einen mal angeschrieben und der wollte mir partout was Falsches aufschwatzen. 

 

OT an

Generell werden Internetforen immer wieder mißbraucht um unzulässige kommerzielle Werbung zu streuen. Das Hinterhältige daran ist, dass die (bezahlten) Werber meistens als "normale" User auftreten und mit einem "guten Tipp" vermeintlich "weiterhelfen" wollen. Diese unerfreuliche Entwicklung beobachten die Moderatoren des BF24 schon seit Jahren und dementsprechend stringent greifen wir im Rahmen unserer Möglichkeiten auch durch.

Im oben angesprochenen Fall haben wir den betreffenden Werbebeitrag zeitnah gelöscht weshalb er nun nicht mehr sichtbar ist, was logischerweise von uns auch so gewollt ist.

"Zeitnah gelöscht" ist natürlich eine etwas flexible Definition eines an sich normalen Vorganges in der Moderation eines Forums. Man darf nicht vergessen das wir hier ehrenamtlich tätig sind und jeder von uns noch Beruf und Familie hat und somit nicht permanent im Forum präsent sein kann. Deshalb kann die Erkennung und Eliminierung solcher Beiträge schon mal ein paar Stunden dauern.  Aber: Wir bleiben am Ball - fest versprochen! 

OT aus

 

@ falnam: Trotzdem viel Glück und Erfolg bei der Problemlösung!

bearbeitet von Form 8A
klitzekleine Rechtschreibfehler
  • 2 weeks later...
Geschrieben

Servus,

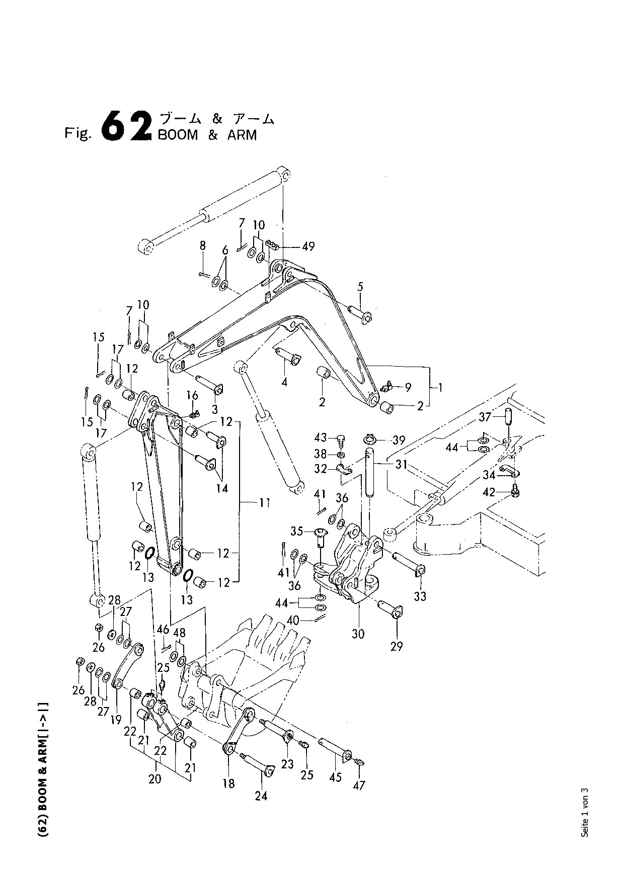
Hätte hier aus dem Etk paar Daten für dich. Buchsen und ein paar Bolzen stehen mit Maßen dabei

Dokument1-001.jpg

Dokument1-002.jpg

Dokument1-003.jpg

Diskutiere mit!

Du kannst jetzt antworten und Dich später anmelden. Wenn du bereits einen Account hast kannst du dich hier anmelden.
Note: Your post will require moderator approval before it will be visible.

Gast
Antworte auf dieses Thema...

×   Du hast formatierten Inhalt eingefügt..   Formatierung wiederherstellen

  Only 75 emoji are allowed.

×   Dein Link wurde automatisch umgewandelt und eingebettet.   Statt dessen nur den Link anzeigen

×   Your previous content has been restored.   Clear editor

×   You cannot paste images directly. Upload or insert images from URL.

  • Gerade aktiv   0 Mitglieder

    • No registered users viewing this page.
×
  • Neu erstellen...