Zu Inhalt springen
Europas größte Bau & Baumaschinen Community - Mitglieder: 38.335

Recommended Posts

Geschrieben

Hallo Vitus52!

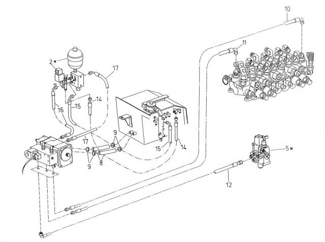
Lt. Kundendienst soll irgenwo bei der Steueröleinheit der Vorsteuerdruck einzustellen sein, ich finde aber nichts. Ich hab aus dem Ersatzteilhandbuch einen Ausschnitt kopert, vielleicht kannst du mir weiterhelfen. Besten Dank

efgee

attachmentid=362621]

2010/11/post-17873-1289976800_thumb.jpg

Registriere dich um diese Anzeige nicht mehr zu sehen.

Geschrieben
Am Vorsteuerventil ( das mit der Druckblase) befindet sich unten eine Schraube.
Der Druck wird mit Scheiben eingestellt.
Ich kann mir aber nicht vorstellen, dass da was nicht stimmt. Ich glaube eher die Pumpe3 ist defekt.
eusa_think.gif
Geschrieben
Hallo efgee,

unterhalb des Speichers sollte eine Einstellmöglichkeit sein,12 bar ist sicher zu wenig,wenn es aber vor
dem abdichten des Ventilblocks funktioniert hat,nutzt es wenig den Druck zu erhöhen.
Das Magnetventil sitzt auf einem Wegeventil,dreh das mal raus kontrolliere die Dichtungen,stecke im
augebauten Zustand die Spule drauf und prüfe ob das Ventil arbeitet,nur Zündung an nicht den Motor
starten.

Gruß Hydraulix

Diskutiere mit!

Du kannst jetzt antworten und Dich später anmelden. Wenn du bereits einen Account hast kannst du dich hier anmelden.
Note: Your post will require moderator approval before it will be visible.

Gast
Antworte auf dieses Thema...

×   Du hast formatierten Inhalt eingefügt..   Formatierung wiederherstellen

  Only 75 emoji are allowed.

×   Dein Link wurde automatisch umgewandelt und eingebettet.   Statt dessen nur den Link anzeigen

×   Your previous content has been restored.   Clear editor

×   You cannot paste images directly. Upload or insert images from URL.

  • Gerade aktiv   0 Mitglieder

    • No registered users viewing this page.
×
  • Neu erstellen...