Zu Inhalt springen
Europas größte Bau & Baumaschinen Community - Mitglieder: 38.242

Recommended Posts

Geschrieben

Hallo ,

wir haben folgendes Problem : Bei unserem alten Mecalac ist keine Leistung mehr auf der Hydraulik ( alle Funktionen ohne Kraft ) . Es lässt sich zwar der komplette Arm gut bewegen , auch recht synchron aber sobald etwas Kraft benötigt wird ( Zug gegen Erde , Anheben gefüllter Löffel ) bricht der Druck regelrecht ab. Wenn ich zum Beispiel mit dem Löffelstiel in einen lockeren Kieshaufen ziehe , reisst der Arm kurz an, bricht dann aber sofort wieder ab. Bei vollem Hebelzug bleibt der Arm in der Position stehen und ruckt immer nur kurz ( Kraft baut auf und bricht dann wieder ab ) Wenn ich nun hingehe und bewege gleichzeitig die Abstützpratzen dann zieht so lange auch der Arm mit voller Kraft durch, lasse ich die Stützenbewegung, dann ist am Arm auch wieder Stop.

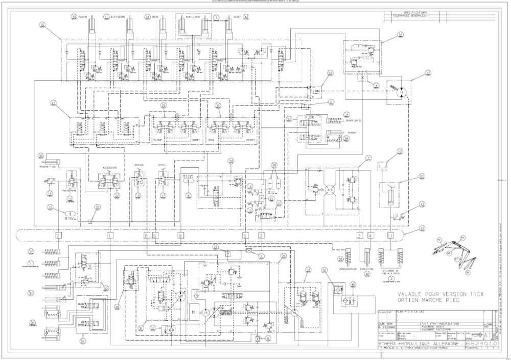
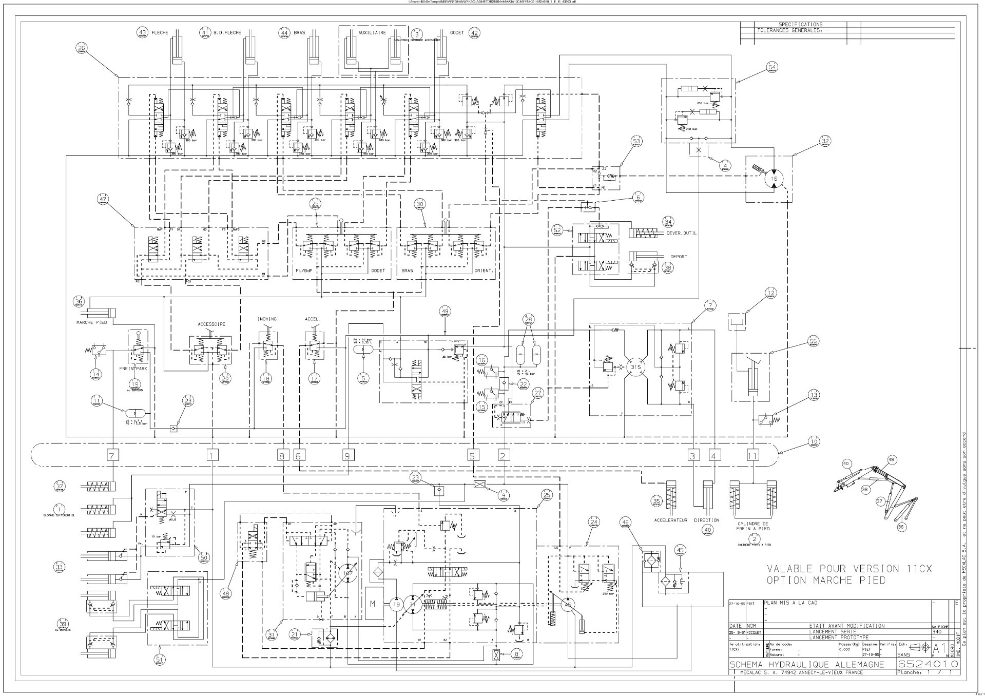
Wir haben schon einiges an Drücken gemessen und uns einen Hydraulikplan von Mecalac besorgt ( Leider auf Französisch ). Pumpenregler und Hydraulikpumpe haben wir bereits erneuert, leider ohne Erfolg. 

Vielleicht hat ja hier der ein oder andere noch eine gute Idee wo das Problem begründet ist . Kann es am Load Sensing Signal liegen ? oder an den Lasthalteventilen in der Ausrüstung ? oder eine andere Abschalteinrichtung die bei gewissem Druck die Hydraulik einbremst ? Ich werde gleich noch die Pläne hierzu hochladen .

Vorab vielen Dank an alle - da ich mittlerweile echt verzweifelt bin. Auch Händler Kundendienst und Händler bei uns in der Region konnten nicht helfen , ausser teure Teile tauschen ohne Erfolg und grosse Rechnungen präsentieren....

Gruß

Pit

6524010_11cx.jpg

6524010_11cx_marchepied.jpg

Registriere dich um diese Anzeige nicht mehr zu sehen.

Geschrieben

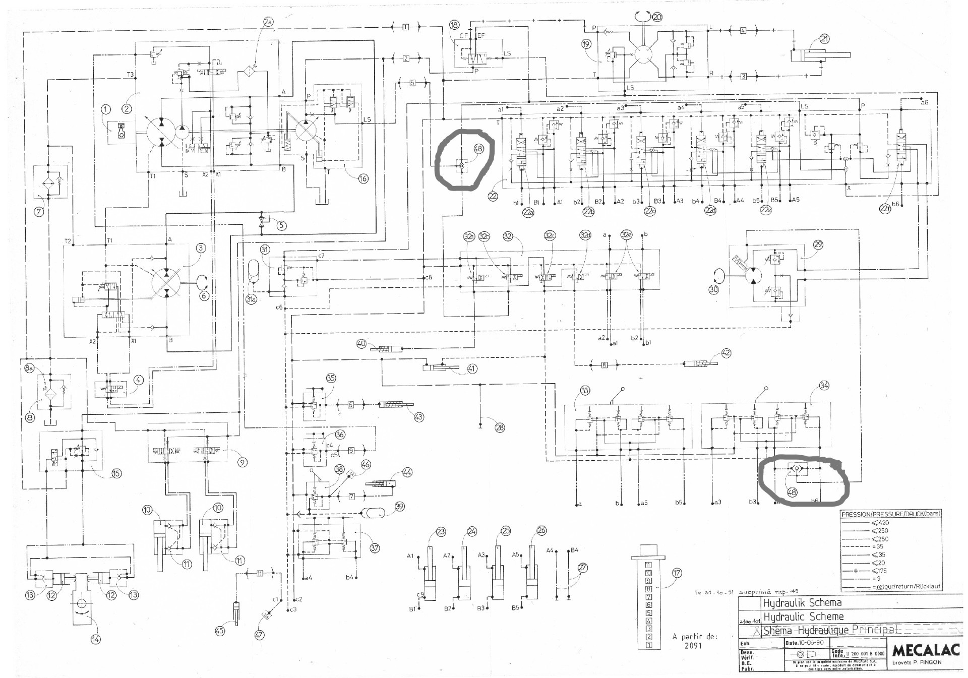
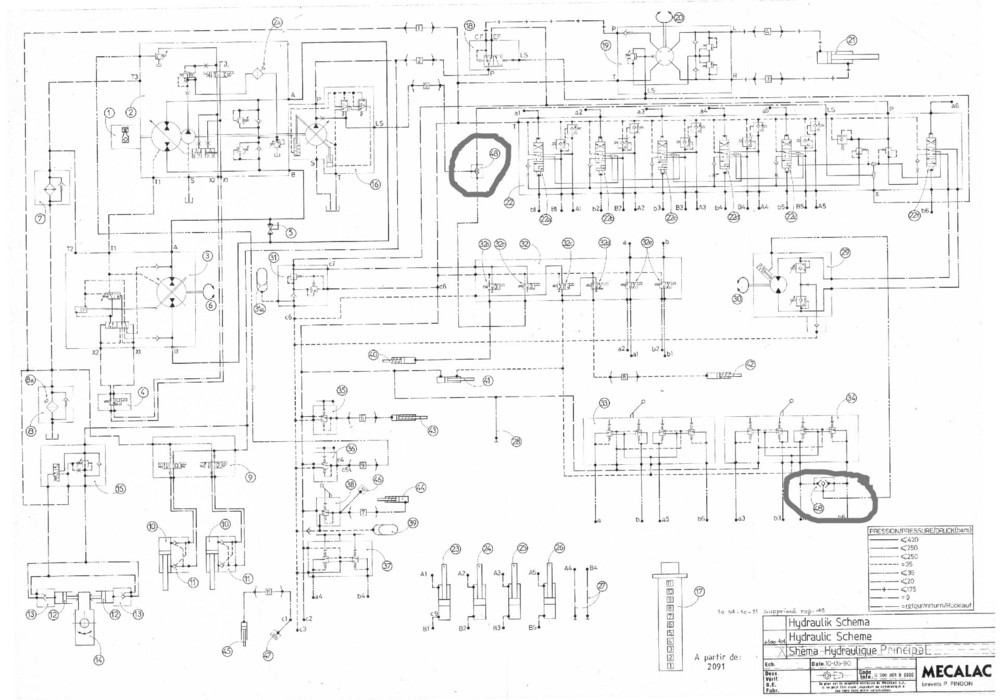
das wechselventil (1. plan nr. 48) schon gecheckt? evtl hängt das und druck geht verloren.

Geschrieben

Danke. Ist doch schon mal ein Tipp. Ich werde es mit meinem Schrauber mal suchen und checken . Melde mich . 

Geschrieben

Hallo , wir haben heute verschiedene Wechselventile geprüft ( auch mal Probeweise erneuert ) aber leider ohne Erfolg. Die geprüften Ventile habe ich markiert. Die Vorrangschaltung für die Lenkhydraulik haben wir auch mal überbrückt bzw. kurz abgeklemmt. - auch ohne Erfolg. Der Druckspeicher im Vorsteuerkreis scheint auch noch ok zu sein.

Zum Testen haben wir einen Löffel mit Kies gefüllt , normal müsste dieser bei gestrecktem Arm spielend gehoben werden. Im Standgas wird der Löffel nun angehoben wenn ich den Joystick in einem Ruck durchziehe. Ziehe ich den Joystick langsam dann ruckt der Arm kurz an , irgendwo schaltet und zischt etwas und der Arm bleibt stehen selbst wenn ich den Joystick am Anschlag halte. Gebe ich Vollgas bewegt er sich langsam und ruckelig nach oben. Das gleiche ist beim Schwenken. ( schnell angesteuert gehts , langsam tut sich nichts )

 

Vielleicht hat noch jemand eine gute Idee oder sieht noch eine mögliche Fehlerquelle im Plan.

Wechselventile geprüft.jpg

Geschrieben

Wie hoch ist denn jetzt der P Druck und LS wenn das Problem auftritt Leerlauf und vollgaß

Diskutiere mit!

Du kannst jetzt antworten und Dich später anmelden. Wenn du bereits einen Account hast kannst du dich hier anmelden.
Note: Your post will require moderator approval before it will be visible.

Gast
Antworte auf dieses Thema...

×   Du hast formatierten Inhalt eingefügt..   Formatierung wiederherstellen

  Only 75 emoji are allowed.

×   Dein Link wurde automatisch umgewandelt und eingebettet.   Statt dessen nur den Link anzeigen

×   Your previous content has been restored.   Clear editor

×   You cannot paste images directly. Upload or insert images from URL.

  • Gerade aktiv   0 Mitglieder

    • No registered users viewing this page.
×
  • Neu erstellen...