Zu Inhalt springen
Europas größte Bau & Baumaschinen Community - Mitglieder: 38.242

Recommended Posts

Geschrieben

Hallo Zusammen

Ich schon wieder....

Mich hat es genervt dass an meinem TB 125 (Ser. Nr. 12516399) nur die Tankanzeige und die Temperaturanzeige funktionierte. Also bin ich der Sache mal auf den Grund gegangen und eine defekte Leiterbahn auf dem sogenannten "Controller" gefunden. Diese hab ich wieder mit einer Drahtbrücke gelötet und siehe da, alles Leuchtet und blinkt wieder wie es soll. Jetzt ist es nur leider so dass, sobald ich den Bagger anlasse, die Batterieleuchte nicht mehr ausgeht (blinkt) und der Summer nach ca. 20 sec anfängt zu piepen... nerv

Also hab ich die Ladespannung der LIMA gemessen, diese beträgt ca. 14.2- 14.4 Volt. Ich würde sagen dass ist ok so. Hmm dann hat wohl der Controller einen abbekommen. Also diesen neu bestellt und eingebaut. Leider das selbe Problem. Batterieleuchte blinkt nach Start und der Summer nervt. Hat doch die LIMA was? Also die auch noch neu bestellt und eingebaut... leider auch nichts:( Die Lichtmaschine ist eine DENSO mit drei Anschlüssen am Stecker plus der normale Anschluss B+ der zur Batterie führt. Bezeichnung der Anschlüsse wären: S (Drehzahlsignal), IG bzw. R (Zündung), L (Ladekontrolllampe). An R (Zündung) habe ich 12 Volt und die Ladekontrolllampe führt nicht direkt zur Leuchte sondern geht über den Controller zur Anzeige. Ich habe die Lichtmaschine nochmals ausgebaut und am Schraubstock eingespannt und überprüft. B+ an eine Batterie, Masse an die Batterie, IG (R) an 12 Volt und mit ner Lampe an L angeschlossen. Die Lampe leuchtet im Stillstand. Danach hab ich das Ganze dann mit ner Bohrmaschine angetrieben und die Lampe ist erloschen. Ladespannung siehe oben. Hmmmm

Jetzt sind die Elektrospezies auf diesem Gebiet gefragt, was kann es noch sein????

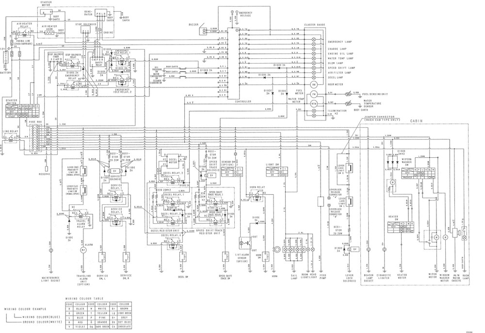
Den Schaltplan hab ich auch mal angehängt. Für was braucht man das Drehzahlsignal (P)von der LIMA? Das geht doch direkt in das Sicherheitsrelais. Dieses scheint ja zu funktionieren das ja sonst der Bagger nicht starten würde. Von diesem Relais geht es direkt auf den Anlasser

Ich weiss nicht mehr weiter...

LG und schön schwitz heute

 

 

IMG_20190716_154008.jpg

IMG_20190716_155016.jpg

IMG_20190724_091900.jpg

Lichtmaschine.jpg

Schaltplan.jpg

Registriere dich um diese Anzeige nicht mehr zu sehen.

Geschrieben

Keiner ne Idee????
Ich hab heute noch ne andere Batterie probiert aber leider auch nichts.

Geladen wird die Batterie mit ca. 10Ampere im Leerlauf und so 15-16 mit leichtem Gas. Gemessen mit der Stromzange.

Gesendet von meinem Mi A2 Lite mit Tapatalk

Geschrieben

Hallo 

geh mal davon aus das die Leitung  der Ladekontrolle eine Unterbrechung hat, die Lima  ist selbserregend , so das die Erregerfunktion , wie es bei den alten Anlagen mal war , heute keine Bedeutung mehr hat. du hast es dir ja schon selbst durch die Versuchsanordnung im Schraubstock bewiesen, 

Geschrieben

Hallo Hermann.
Vielen Dank für Deine Antwort.
Die Ansteuerung der Lampe kommt ja aus dem Controller raus. Sieht so zumindest auf dem Stromlaufplan so aus.
Nachdem ich die Zündung einschalte durchläuft die Anzeige ja einen Selbsttest und alle Lämpchen sind kurz an. Da müsste ja die Verbindung von Controller zur Anzeige ja in Ordnung sein.
Starte ich den Bagger gehen alle aus bis auf die Batterieanzeige die blinkt und nach ca. 20sec fängt der Piepser an sein Werk zu verrichten.
Ich weiss nicht warum am alten Controller die Leiterbahn geschmort war und was dadurch noch in Mitleidenschaft gezogen wurde.
Eigentlich komme ich aus der Elektrik. Ich habe beruflich mit der Reparatur von modernen CNC Maschinen zu tun. Da ist die Messerei halt um einiges einfacher da fast alles auf Klemmen aufgelegt ist und man einfacher rankommt. Hier beim Bagger kommst nicht wirklich an die interessanten Messpunkte.

Blöder Fehler:(


Gesendet von meinem Mi A2 Lite mit Tapatalk

Geschrieben

Mahlzeit , 

Das Drehzahl Signal der Lichtmaschine wird in vielen Geräten genutzt um zu verhindern das der Anlasser wenn der Motor dreht einspuren kann. 

Ich persönlich würde jetzt erstmal testen was an meinem Controller als Signal L ankommt . 

Diskutiere mit!

Du kannst jetzt antworten und Dich später anmelden. Wenn du bereits einen Account hast kannst du dich hier anmelden.
Note: Your post will require moderator approval before it will be visible.

Gast
Antworte auf dieses Thema...

×   Du hast formatierten Inhalt eingefügt..   Formatierung wiederherstellen

  Only 75 emoji are allowed.

×   Dein Link wurde automatisch umgewandelt und eingebettet.   Statt dessen nur den Link anzeigen

×   Your previous content has been restored.   Clear editor

×   You cannot paste images directly. Upload or insert images from URL.

  • Gerade aktiv   0 Mitglieder

    • No registered users viewing this page.
×
  • Neu erstellen...