Zu Inhalt springen
Europas größte Bau & Baumaschinen Community - Mitglieder: 38.244

Recommended Posts

Geschrieben

Hallo zusammen,

hat hier zufällig jemand Unterlagen für die Hydraulik für einem Komatsu PC20-7 / FAI232?

 

vielen Dank für eure Unterstützung 

 

Registriere dich um diese Anzeige nicht mehr zu sehen.

Geschrieben

Was brauchst Du denn?

Ich habe das Betriebs- und Wartungshandbuch hier. Das könnte ich Dir auch vermachen....

Dann habe ich noch originale Schulungsunterlagen von Komatsu. Da sind auch ein paar Themen vom 20-7 enthalten

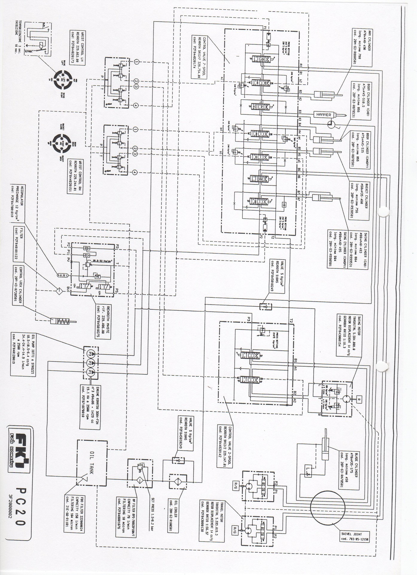
Anbei mal der Hydraulikplan vom 20-7

Komatsu002.jpg

Diskutiere mit!

Du kannst jetzt antworten und Dich später anmelden. Wenn du bereits einen Account hast kannst du dich hier anmelden.
Note: Your post will require moderator approval before it will be visible.

Gast
Antworte auf dieses Thema...

×   Du hast formatierten Inhalt eingefügt..   Formatierung wiederherstellen

  Only 75 emoji are allowed.

×   Dein Link wurde automatisch umgewandelt und eingebettet.   Statt dessen nur den Link anzeigen

×   Your previous content has been restored.   Clear editor

×   You cannot paste images directly. Upload or insert images from URL.

  • Gerade aktiv   0 Mitglieder

    • No registered users viewing this page.
×
  • Neu erstellen...