Zu Inhalt springen
Europas größte Bau & Baumaschinen Community - Mitglieder: 38.244

Recommended Posts

Gast jungersprössling
Geschrieben

Hallo Leute,

 

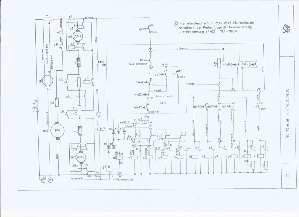
Ich habe mal wieder ein Problem und hoffe auf eure Hilfe da ich nicht mehr weiter komme. Es geht um meinen Stapler der Firma Lansing. Ich weis es ist nicht wirklich eine Baumaschine aber vielleicht könnt ihr mir ja doch helfen und es kennt sich jemand mit so etwas aus. Den Stapler haben wir vor circa einem Jahr für 50 Euro von unserem Nachbarn bekommen da er sich einen neuen zugelegt hatte. Der Stapler hatte schon als wir ihn bekommen hatten ein paar Probleme (Er wollte nicht immer so wie wir wollten). Vor ein paar Wochen haben wir uns dann entschlossen ihn einmal komplett zu zerlegen und ihn mal zu verschönern. Also haben wir uns dran gemacht und alles auseinander gebaut. Wir haben alles neu lackiert und geputzt den Motoren neue Kohlen verpasst. Als alles fertig war haben wir uns wieder dran gemacht ihn zusammen zubauen und dies lief auch ohne größere Probleme. Als ich mich dann an die Elektrik gemacht habe sind mir ein paar Fehler in der bisherigen Schaltung aufgekommen, diese habe ich dann behoben und alles wieder angeschlossen. Mein Problem jetzt ist das auf dem Schaltplan eigentlich alle Kabel drauf sind bis auf vier Stück. Diese Kabel kommen aus den zwei Motoren also pro Motor sind es zwei stück. Diese sind im Motor an dem Strator befestigt. 

 

So meine Farge jetzt lautet für was sind diese Kabel und hat einer eine Ahnung wo diese hinkommen?

 

Es ist ein Lansing EFG 3/12 aus dem Jahr 1973. 

Ich werde den Schaltplan mal einfügen vielleicht übersehe ich die Kabel auch nur. :D

001.jpeg

002.jpeg

004.jpeg

Registriere dich um diese Anzeige nicht mehr zu sehen.

Gast jungersprössling
Geschrieben
On 21.10.2018 at 18:39, jungersprössling schrieb:

 

Diese Kabel

InkedUnbenannt_LI.jpg

Gast jungersprössling
Geschrieben
vor 6 Stunden, EX35 schrieb:

Foto von dem Typenschild.

Hallo ich hab mal das Typenschild von dem Motor und dem Stapler fotografiert.

 

Pic1.jpg

20180528_175836.jpg

Geschrieben

Ohne von dem Teil Ahnung zu haben.......

Wo waren denn die Kabel beim zerlegen dran ?

Sind das die 2 Fahrmotoren ?

Ich würde mal denken es sind die Anschlüsse für die Feldwicklung.

Die dicken Kabel gehen über die Schleifkohlen auf die Ankerwicklung.

evtl. Fremderregter Gleichstrommotor

Der Schaltplan ist etwas dähmlich auf dem 2.Schaltplan unten ist ein Hinweis

Motoren m1 zu c1 c2 c2 c5    und m2    zu c6 c3 c3 c4

Diskutiere mit!

Du kannst jetzt antworten und Dich später anmelden. Wenn du bereits einen Account hast kannst du dich hier anmelden.
Note: Your post will require moderator approval before it will be visible.

Gast
Antworte auf dieses Thema...

×   Du hast formatierten Inhalt eingefügt..   Formatierung wiederherstellen

  Only 75 emoji are allowed.

×   Dein Link wurde automatisch umgewandelt und eingebettet.   Statt dessen nur den Link anzeigen

×   Your previous content has been restored.   Clear editor

×   You cannot paste images directly. Upload or insert images from URL.

  • Gerade aktiv   0 Mitglieder

    • No registered users viewing this page.
×
  • Neu erstellen...